首頁 > 產品介紹 > 插式閥 > 邏輯閥

邏輯閥


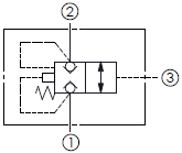
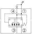
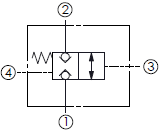
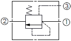
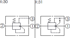
作動 液壓符號 類別 主訂購代號 流量
(l/min)
壓力
(bar)
成型孔