關於我們
技術資源
最新消息
電子型錄
聯絡我們
網站地圖
新品目錄
插式閥
止回閥
止回閥-3孔與4孔
抗衡閥
標準型
3孔 非透氣型
方向閥
流量控制閥
2 孔
3孔與4 孔
過濾器
鎖入式閥件
全平衡負載感應控制閥
負載感應控制閥
邏輯閥
減壓/洩壓閥
調壓閥
2 孔
順序閥
梭動閥
電磁閥
提動軸型電磁方向閥
常閉型
單止回, 口2封閉,通電時口2通口1
大流量,單止回, 口2封閉,通電時口2通口1
大流量,單止回, 口1封閉,通電時口1及口2雙向流動
附止回閥, 雙向封閉,通電時口2通口1(快速關閉型)
雙向封閉, 通電時雙向流動
雙向封閉, 通電時雙向流動,快速關閉型
直動常閉型, 雙向封閉, 通電時雙向流動
常開型
大流量,口1通口2,通電時口1封閉
雙向流動,通電時雙向封閉
滑軸型電磁方向閥
4口2位
4口3位
閥塊
MH 積層式油路板
ISO 03
ISO 05
電子元件
線圈
不含突波抑制器
內含突波抑制器
配件
插式閥輔助裝置選項
插式閥
止回閥
止回閥-2孔
止回閥-3孔與4孔
回路節省閥
抗衡閥
標準型
3孔 非透氣型
3孔 非透氣型,不可調
3孔 透大氣型
無輔助導壓,3口插孔
4孔 透氣型
全平衡負載感應控制閥
方向閥
比例導壓
比例放大器
流量控制閥
2 孔
3孔與4 孔
過濾器
分流/集流閥
手動泵浦
鎖入式閥件
全平衡負載感應控制閥
負載感應控制閥
邏輯閥
導壓級閥
減壓/洩壓閥
減壓閥
調壓閥
2 孔
3 孔
4 孔
順序閥
梭動閥
啟動閥
氣導式
常閉
常開
全部金屬元件不鏽鋼
止回閥
抗衡閥
流量控制閥
減壓閥
調壓閥
順序閥
技術性資訊
電磁閥
提動軸型電磁方向閥
常閉型
常開型
零洩漏提動軸型
防爆型線圈及磁管
滑軸型電磁方向閥
2口2位
3口2位
4口2位
4口3位
閥塊
MH 積層式油路板
ISO 03
ISO 05
MM 油壓馬達直結油路板
ML 標準配管式油路板
MK 積層蓋板式油路板
ISO 03
ISO 05
電子元件
線圈
不含突波抑制器
內含突波抑制器
電氣插頭
配件
插式閥輔助裝置選項
電磁方向閥附件
成型孔
產品介紹
RESEARCH AND DEVELOPMENT
插式閥
止回閥
回路節省閥
抗衡閥
標準型
3孔 非透氣型
3孔 非透氣型,不可調
3孔 透大氣型
無輔助導壓,3口插孔
4孔 透氣型
全平衡負載感應控制閥
方向閥
比例導壓
比例放大器
流量控制閥
過濾器
分流/集流閥
手動泵浦
鎖入式閥件
全平衡負載感應控制閥
負載感應控制閥
邏輯閥
導壓級閥
減壓/洩壓閥
減壓閥
調壓閥
順序閥
梭動閥
啟動閥
氣導式
全部金屬元件不鏽鋼
技術性資訊
電磁閥
閥塊
電子元件
配件
Contact
+86-523-84588093
fluid@jjfluid.cn
首頁
>
產品介紹
>
插式閥
>
抗衡閥
> 全平衡負載感應控制閥
全平衡負載感應控制閥
cavity-tooling :
17A-3
(2)
19A-3
(2)
2A-3
(2)
22A-4
(1)
23A-4
(1)
24A-4
(1)
flow :
240
(3)
480
(3)
120
(3)
pressure :
350
(3)
YOUR SELECTIONS :
All
作動
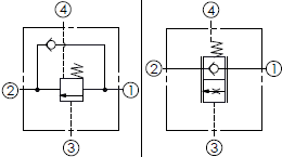
液壓符號
類別
主訂購代號
流量
(l/min)
壓力
(bar)
成型孔
3 ports
無內導洩壓閥功能
3口插孔
無外部透氣孔
MB-2A-3N
120
350
2A-3
MB-17A-3N
240
350
17A-3
MB-19A-3N
480
350
19A-3
4 ports
4口插孔
透氣型
MW-22A-4N
120
350
22A-4
MW-23A-4N
240
350
23A-4
MW-24A-4N
480
350
24A-4