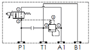
ISO 05
-
主訂購代號 流量
(l/min)堆疊高度(mm) MK05EPX-X-Y-Z01 40 49.5 -
主訂購代號 流量
(l/min)堆疊高度(mm) MK05EPX-X-Y-Z03 70 63.0 -
主訂購代號 流量
(l/min)堆疊高度(mm) MK05EPX-X-Y-Z03 70 63.0 -
主訂購代號 流量
(l/min)堆疊高度(mm) MK05ERX-X-Y-A03-Z 70 63.0 -
主訂購代號 流量
(l/min)堆疊高度(mm) MK05ERX-X-Y-A03-Z 70 63.0
