ISO 03
-
主訂購代號 流量
(l/min)堆疊高度(mm) MK03DDN-X-Y-Z03 34 61.3 -
主訂購代號 流量
(l/min)堆疊高度(mm) MK03EPX-X-Y-Z03 40 63.0 -
主訂購代號 流量
(l/min)堆疊高度(mm) MK03EPX-X-Y-Z03 40 63.0 -
主訂購代號 流量
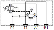
(l/min)堆疊高度(mm) MK03ERX-X-Y-A03-Z 40 63.0 -
主訂購代號 流量
(l/min)堆疊高度(mm) MK03ERX-X-Y-A03-Z 40 63.0 -
主訂購代號 流量
(l/min)堆疊高度(mm) MK99FPX-X-Y-Z61 40 50.0 -
主訂購代號 流量
(l/min)堆疊高度(mm) MK03RPE-X-Y-Z01 1 44.5 -
主訂購代號 流量
(l/min)堆疊高度(mm) MK03RPW-X-Y-Z01 1 44.5
